您好,欢迎访问上海诚卫仪器科技有限公司!
13310112765

联系我们

官方公众号
邮箱:692427669@qq.com
电话:13310112765
地址:上海市松江区洞业路999号 QQ咨询
首页 -> 产品中心 -> 医疗类检测仪器 -> 圆柱形牙科银汞合金试样的模具

医疗类检测仪器

  • 圆柱形牙科银汞合金试样的模具

圆柱形牙科银汞合金试样的模具

产品品牌:诚卫
产品型号:CW-Z582
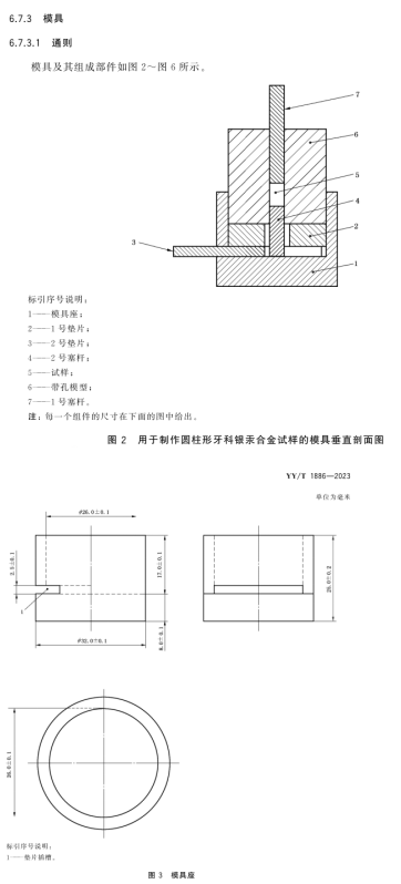
产品简介:执行标准: YY/T 1886-2023标准中6.7.3.1:图2、图3、图4、图5、ISO20749 : 2017

产品介绍

圆柱形牙科银汞合金试样的模具

执行标准:

YY/T 1886-2023标准中6.7.3.1:图2、图3、图4、图5ISO20749 : 2017

使用材料:

使用冷轧钢或不锈钢材料制作模具座、垫片和顶盖。使用硬质工具钢或硬质不锈钢制作带孔模型和塞杆。

配置清单

模具一套,合格证一份,铭牌一份。

image.png

image.png

图片2.png