您好,欢迎访问上海诚卫仪器科技有限公司!
13310112765

联系我们

官方公众号
邮箱:692427669@qq.com
电话:13310112765
地址:上海市松江区洞业路999号 QQ咨询
首页 -> 产品中心 -> 医疗类检测仪器 -> 细节再现和与石膏的配伍性试验

医疗类检测仪器

  • 细节再现和与石膏的配伍性试验

细节再现和与石膏的配伍性试验

产品品牌:诚卫
产品型号:CW-Z595
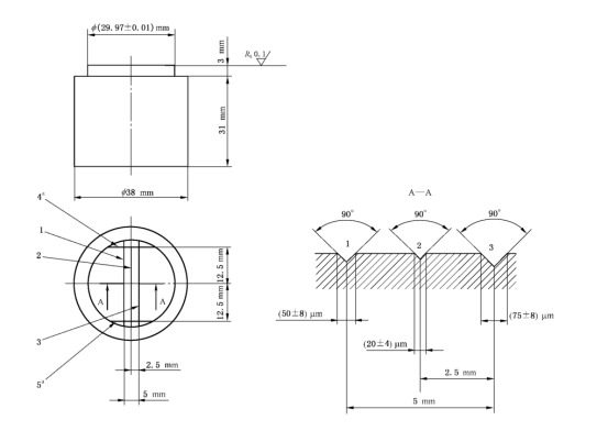
产品简介:执行标准: YY/T 0493-2022--图 A.12 细节再现和与石膏的配伍性试验块--配伍性试验块

产品介绍

配伍性试验块、细节再现和与石膏的配伍性试验块

执行标准:

YY/T 0493-2022--图 A.12 细节再现和与石膏的配伍性试验块--配伍性试验块

模具用途;

验证印模材料在接触石膏时是否会发生不良反应或表面缺陷,从而影响模型精度。

技术参数:

材质:不锈钢

计时器:0-999/s(自行设置)精度±1/s
选配:声清洗,机恒温水浴,烘箱,显微镜

image.png

配置清单

模具一套,合格证一份,铭牌一份。

图片1.png